Liberty® Series
PORTABLE CAPSTAN WINCH W/ SWIVEL BASE
The Thern Liberty® Series capstan winch with integral swivel base delivers portable strength for lifting, pulling, and tensioning at almost any angle. More importantly, quiet operation enhances team communication for increased productivity. Among other uses, it’s perfect for elevator shaft and cell tower construction projects. The powder-coat finish and corrosion-resistant components ensure dependable operation for many years.
Quick Facts
- Up to 2,000 lb Capacity (900 kg)
- Quiet Operation
- Extended Duty Cycle
- Extremely Portable
- Enhanced Safety Features
- Increased Productivity
- Maintenance-Free
- Industry-Leading Warranty
Series Models
- 115V
- 3CP1M-AFS
- 3CP1S-AFS
- 3CP2S-AFS
- 3CP2M-AFS
- 230V
- 3CP1M-BFS
- 3CP1S-BFS
- 3CP1H-BFS
Need a Quote?
If you’re not sure what product you need or would like a quote, please fill out a request form.


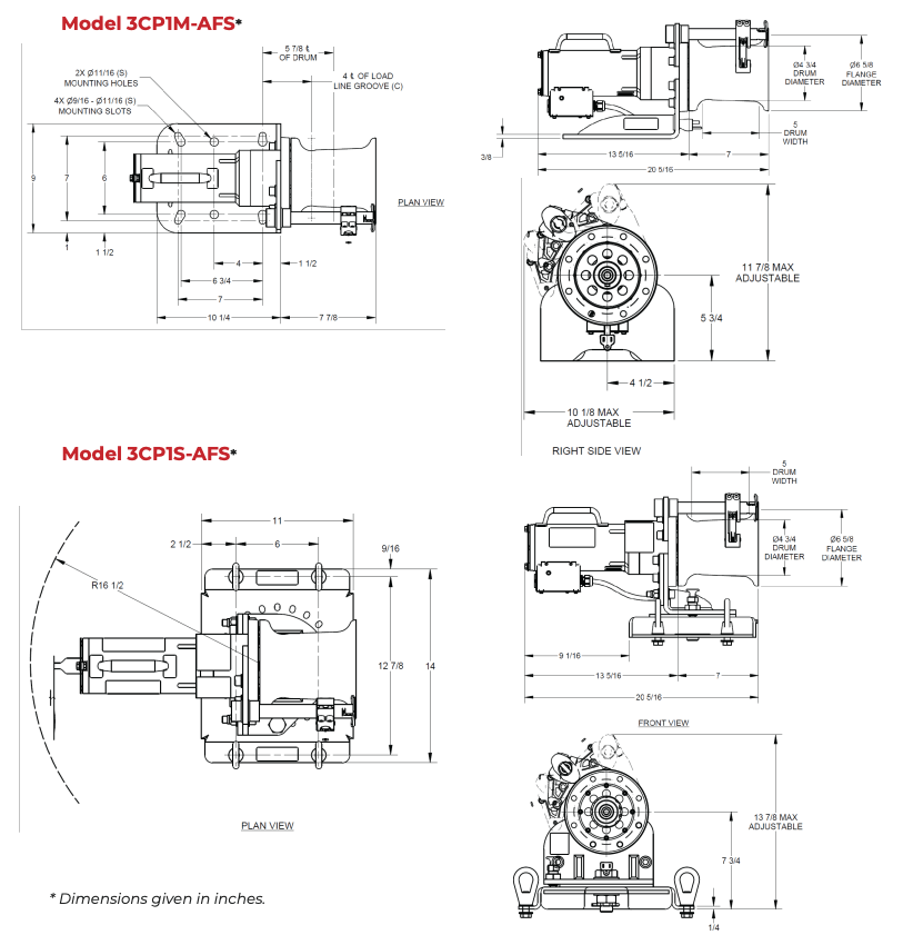
Capstan Winch — 3CP1S-AFS / 3CP1M-AFS / 3CP1H-BFS / 3CP1M-BFS / 3CP1S-BFS / 3CP2S-AFS / 3CP2M-AFS
Swivel Mount / Fixed Mount / Hitch Ball Mount
Premium Motor with Handle
- Premium motor offers quiet operation (80 dBA)*, enhancing clear communication between operators
- Durable powder-coat finish resists contamination for increased reliability
- Maintenance-free, permanently lubricated, planetary gearbox for smooth operation and long life
- UL-Recognized motor
Foot Switch Control
- Foot switch-controlled operation delivers productivity and safety
- IP65, sealed foot switch allows outdoor use
- Painted, cast-iron construction and antiskid feet promote durability and stability for outdoor applications
- 10-foot cord and twist-lock plug design avoids untimely power disruption, increasing productivity
Integral Rope Lock
- Rope lock prevents unintentional lowering of load
- Nickel-plated and anodized components ensure durability and smooth handling of load
- Adjustable rope lock accommodates various line exit angles and operator heights
Durable Swivel Frame with Integral Lock
- Adjustable rotation in 15° increments to align loads and lock securely with swivel stop
- Lightweight, engineered design and steel construction provides portability
- Powder-coated steel finish resists wear and promotes durability
- Half-inch, Grade 5 mounting hardware enhances security
- Optional heavy-duty fixed mount frame
Integral Rope Keep
- Spring-loaded rope keep helps prevent accidental removal of hand line from drum
- Corrosion-resistant components improve durability
- Rope keep bar serves as a carrying handle
Engineered Drum Design
- Keeps load line from moving during operation, enhancing productivity
- Nickel-plated steel construction for optimum performance and durability
3CP1S-HM Hitch Mount

- Compatible with 3CP1S-AFS 1,000 pound capacity Liberty capstan winch only
- Heavy-duty (ASTM-grade steel) construction
- For use on vehicles with 2-inch hitch receiver
- Hitch mount includes standard receiver clevis and cotter pins
- Red powder-coat finish
- Weighs approximately 26 pounds for easy handling
3CP2S-HM Hitch Mount
- Compatible with both 3CP1S-AFS 1,000 pound capacity and 3CP2S-AFS 2,000 pound capacity Liberty capstan winches
- Heavy-duty (ASTM-grade steel) construction
- For use on vehicles with 2 1/2-inch hitch receiver
- Hitch includes standard receiver clevis and cotter pins
- Red powder-coat finish
- Weighs approximately 45 pounds for easy handling
3CP1H-HM Hitch Mount

- Hitch Mount Kit for 1,000 pound (450 kg) Capstan Winch
- Quick-Connector allows convenient attachment and removal without tools
- For use on vehicles with a 2-inch (50mm) hitch ball
- Powder-coat finish
- Product weight is approximately 13 pounds (6 kg)

3CP-RG Rope Guide

- Rope Exit Guide for Capstan Winch
- Helps maintain proper fleet angle for various operator positions
- Includes attachment hardware
- Polished stainless-steel finish
- Product weight is approximately 0.5 pounds (0.2 kg)
3CP1M-PM Pole Mount

- Adjustable Pole / I-Beam Mounting Frame for Liberty Capstan 1,000 pound Winch
- This versatile mounting frame provides a secure and adaptable solution for installing the Liberty Capstan Winch on utility poles or I-beams.
- The steel frame has a durable powdercoat finish and the unit features two lengths of durable Grade 43 galvanized chain, it easily wraps around poles of varying diameters, offering a strong and corrosion-resistant hold.
- The adjustable design allows use with a wide range of I-beams, making it a dependable choice for various job site configurations.
- Engineered for flexibility and reliability, this mounting frame simplifies setup and enhances stability in the field.
3CP-CASE Travel Case

- Liberty Capstan Series Travel Case is the ultimate solution for protecting and transporting your capstan winch.
- Crafted from ultra high-strength polypropylene copolymer resin, it’s built to withstand UV, solvents, corrosion, and impact while maintaining a watertight seal (MIL-STD-810H compliant).
- With custom foam inserts to securely fit 1,000 and 2,000 pound winch models, in both fixed and swivel configurations, plus in-line skate wheels and a telescoping handle, it offers unmatched durability and ease of transport.
- Safeguard your investment with industrial-strength construction designed for demanding environments.
3CP-RH Antenna Pipe Rooster Head

- The Thern Rooster Head is a rugged, easy-to-install lifting solution designed for telecom professionals who climb and maintain cell towers.
- Built with welded structural steel and a corrosion-resistant galvanized finish, it handles loads up to 500 lbs and accommodates 1/2” to 5/8” synthetic lines.
- Featuring a 4” Nylatron sheave with a steel roller bearing that requires no tools for removal, it streamlines rigging and includes a secondary attachment point for two-part line configurations.
- Compliant with ANSI/TIA 322 and ANSI/ASSP A10.48 standards, this accessory is built for safety and reliability in demanding environments.

Owner’s Manual
3CP Liberty Series Capstan Winches (A21392-F-1025)
Product Sheet
Liberty Capstan Product Sheet (PS3CP1-C-0226)







